Профессиональный строительный инструмент и оборудование
Каталог инструментов
Промышленный термонагреватель Forsthoff Model 3000E
Промышленный термонагреватель Forsthoff Model 3000E или 3000 Electronic (Форстхофф Модель 3000Е или 3000 Электроник) с плавной электронной регулировкой мощности термонагрева предназначен для использования в различных технологических процессах для термоусадки, сушки поверхностей, формовки изделий из термопластов и полипропиленов, сварки горячим воздухом; на конвейерах; в технологическом оборудовании.
Производитель: FORSTHOFF (ФОРСТХОФФ) – Германия.
Преимущества промышленного термонагревателя Forsthoff Model 3000E:
- Вокруг корпуса нагревателя установлен защитный сетчатый экран, предохраняющий оператора от ожогов
- Простая замена нагревательного элемента: необходимо отвернуть 4 болта и снять корпус нагревателя вместе с защитным сетчатым экраном
- Электронный регулятор мощности нагрева воздуха
- Выключатель нагревателя отдельно от регулятора мощности. Это позволяет по окончании работы отключить нагрев и охладить нагреватель, не изменяя настроек мощности
- Конструкция и материалы рассчитаны на нагрев воздуха до температуры не выше 700°C. Очевидно, что температура воздуха на выходе из нагревателя определяется тремя величинами: совокупной мощностью спиралей нагревателя; начальной температурой воздуха; потоком воздуха. Например, если поток воздуха 220 л/мин, то 3-х киловаттный нагреватель нагреет его на ΔТ = 680°C. Это значит, что если температура воздуха на входе в нагреватель будет 20°C, то на выходе из нагревателя – 700°C. Таким образом, для 3-х киловаттного нагревателя минимально допустимый поток воздуха – 220 л/мин. При большем потоке температура воздуха на выходе из нагревателя будет ниже. При меньшем потоке нагревательный элемент быстро сгорит
- Устанавливаются любые сопла с посадочным Ø 50 мм (F4030, F4031 и F4021, F4022). Принимая во внимание стационарную установку термонагревателя, в первую очередь рекомендуются плоские щелевые сопла F4021 и F4022, предназначенные для равномерного термонагрева больших поверхностей
| Артикул | Напряжение | Мощность |
| F3060 | 230 В | 1200 + 1800 = 3000 Вт |
| F3061 | 400 В | 1200 + 1800 = 3000 Вт |
| Изображение | Артикул | Наименование |
| F4030 | Плоское щелевое сопло 70 × 10 мм | |
| F4031 | Плоское щелевое сопло 70 × 4 мм | |
| F4021 | Щелевое сопло 150 × 1 мм | |
| F4022 | Щелевое сопло 150 × 10 мм |
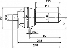
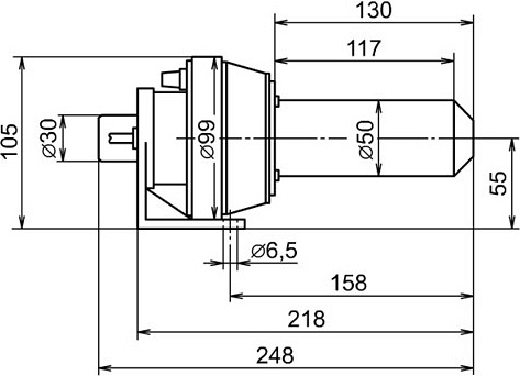
Цена и технические характеристики промышленного термонагревателя Forsthoff Model 3000E:
Технический паяльный фен
-
Алмазные коронки по железобетону Kern Diamond Bit Concrete Premium 400 ммДиаметр: 400 ммРабочая длина: 450 ммЦена: по запросу
-
Коронка алмазная для подрозетников Keos Professional M16-SDS Plus 68/70 ммДиаметр: 68 ммРабочая длина: 60 ммЦена: 2 590 руб.
-
Алмазные коронки по железобетону Kern Diamond Bit Concrete Premium 30 ммДиаметр: 30 ммРабочая длина: 450 ммЦена: 5 600 руб.
-
Алмазная коронка для сухого бурения с микроударом Адель Diamond Hit DH-D401 225 ммДиаметр: 225 ммРабочая длина: 450 ммЦена: 31 500 руб.
-
Алмазная коронка для сухого бурения с микроударом Адель Diamond Hit DH-D400 122 ммДиаметр: 122 ммРабочая длина: 450 ммЦена: 11 700 руб.
-
Алмазная коронка для сухого бурения с микроударом Адель Diamond Hit DH-D401 250 ммДиаметр: 250 ммРабочая длина: 450 ммЦена: 34 400 руб.
-
Установка алмазного бурения с микроударом Baier BDB 829/BST 200Диаметр отверстий: 42 - 250 ммМощность: 2,15 кВтЦена: 229 500 руб.
-
Вертушка для прочистки канализации подключение к дрели Крокочист 9 мм × 12 мДиаметр труб: 76 ммРазмеры спирали (Ø × Д): 9 мм × 12 мЦена: 11 621 руб.
Новости
-
26.11.2025Новые поступления для серьёзной работы: спираль и адаптер от Crocodile
-
21.11.2024Поступление желобонакатчиков GruvMaster - Новинка на Российском рынке!
-
27.12.2023С новым 2024 годом!
-
20.12.2022Режим работы в Новогодние праздники
-
12.10.2022ФСБ сообщила о попытке теракта с ПЗРК «Игла» в Подмосковье




Отзывы
Оставьте Ваш отзыв